
| VCES (V) | 1200V |
| Ic (A) | 150A |
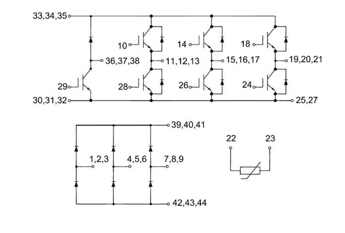
| Topology | PIM |
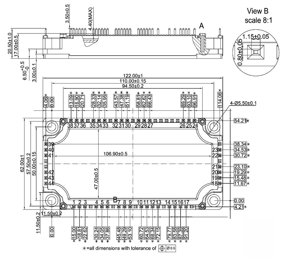
| Package | T6-T4 |
Features:
⚫ Field Stop Trench Gate IGBT
⚫ Short Circuit Rated >10μs
⚫ Low Saturation Voltage
⚫ Low Switching Loss
⚫ 100% RBSOA Tested(2×Ic)
⚫ Low Stray Inductance
⚫ Lead Free, Compliant with RoHS Requirement
Applications:
⚫ Industrial Inverters
⚫ Servo Applications